[назад]

zen-1.jpg

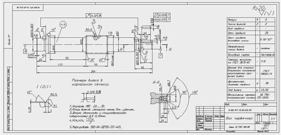
Автоматизированное конструирование червячного вала