[назад]



zen-1.jpg
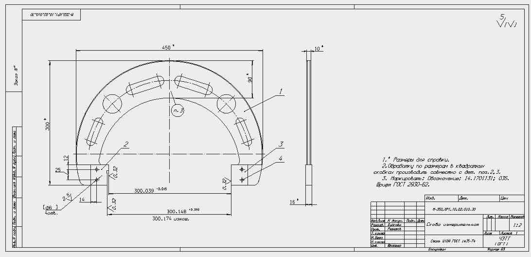
Автоматизированное конструирование скобы измерительной