[назад]

zen-1.jpg
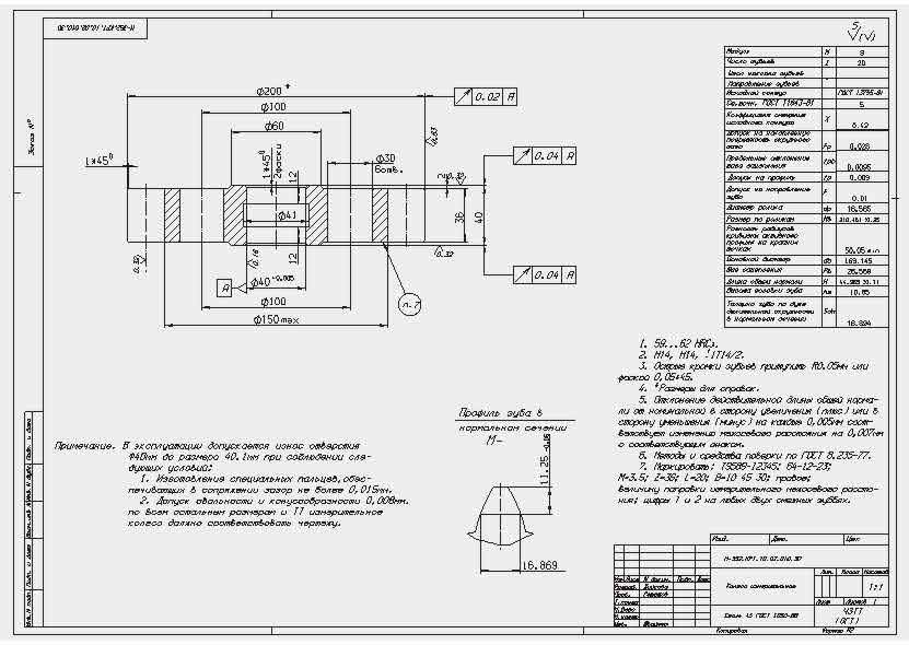
Автоматизированное конструирование колеса измерительного